企業博客
更多>>村田壓電陶瓷諧振器內部的基因密碼!
來源:http://m.jqhs.com.cn 作者:康比電子 2014年09月30
日本村田株式會社所生產陶瓷諧振器,品牌為(MURATA)產品具有高度穩定性,其款式多種化,壓電陶瓷諧振器產品主要應用于各種電子產品終端,諧振器的主要作用是作為信號發生器與頻率通過調整需要來確定,起到振動工作。
隨著電子數碼產品的快速更新,壓電陶瓷諧振器也從最早的單一引線型插件晶振到現在的多元化SMD貼片晶振,比如從最初的CSTLS-G三腳直插式陶瓷晶振,CSTLS-X以及CSALS-X等彎腳直插式陶瓷諧振器,都已經慢慢的演變成了SMD貼片式多元化,多形狀貼片陶瓷晶振產品,以下我們來了解區分一下村田晶振所有款型料號,以及晶振料號每一個字母的含義與區別,這里面到底隱藏著什么樣的秘密?
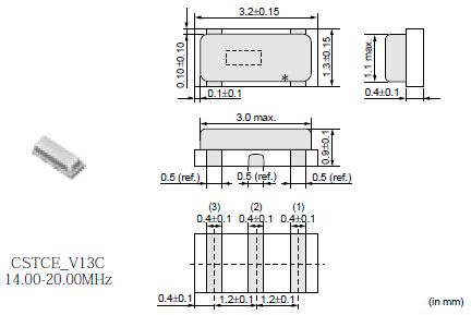
以下我們用一顆貼片晶振的料號來描述,料號里面每個字母代表著什么含義?

這是一顆CSTCE-V13C的貼片陶瓷諧振器,那么這個料號里面的每一個字母到底代表著什么呢?

村田陶瓷晶振在隨著市場的需要發展中不斷改進,也隨著汽車電子的迅速發展,村田陶瓷諧振器也從最初的單一型號演變成目前的多種型號中,以及振蕩子產品內部的負載電容也有不同,比如同一款型號中內部的負載均有不同,如果在你不熟悉的情況下,你還真分不清楚每個料號里面的字母含義。

村田晶振廠家的產品料號編碼除了,有產品名稱,負載電容,還有晶振產品的厚度模式,以及諧振模式等。

隨著電子數碼產品的快速更新,壓電陶瓷諧振器也從最早的單一引線型插件晶振到現在的多元化SMD貼片晶振,比如從最初的CSTLS-G三腳直插式陶瓷晶振,CSTLS-X以及CSALS-X等彎腳直插式陶瓷諧振器,都已經慢慢的演變成了SMD貼片式多元化,多形狀貼片陶瓷晶振產品,以下我們來了解區分一下村田晶振所有款型料號,以及晶振料號每一個字母的含義與區別,這里面到底隱藏著什么樣的秘密?
以下我們用一顆貼片晶振的料號來描述,料號里面每個字母代表著什么含義?

這是一顆CSTCE-V13C的貼片陶瓷諧振器,那么這個料號里面的每一個字母到底代表著什么呢?

村田陶瓷晶振在隨著市場的需要發展中不斷改進,也隨著汽車電子的迅速發展,村田陶瓷諧振器也從最初的單一型號演變成目前的多種型號中,以及振蕩子產品內部的負載電容也有不同,比如同一款型號中內部的負載均有不同,如果在你不熟悉的情況下,你還真分不清楚每個料號里面的字母含義。

村田晶振廠家的產品料號編碼除了,有產品名稱,負載電容,還有晶振產品的厚度模式,以及諧振模式等。

正在載入評論數據...
相關資訊
- [2026-04-14]微晶RV-3028-C7開啟低功耗實時計...
- [2025-09-17]Geyer精密之芯KX-327FT晶振的科...
- [2025-07-04]Greenray晶振T90系列TCXO發揮著...
- [2024-05-24]Silicon Labs無線物聯網解決方案...
- [2024-05-22]ConnorWinfield晶振125系列振蕩...
- [2024-05-21]Suntsu影響電子元件成本的關鍵因...
- [2024-04-22]米利倫GPSDO振蕩器可作為堅固的...
- [2024-04-19]QuartzCom提供廣泛的VCTCXO振蕩...




