康比電子roducts
國產晶振
臺產晶振
進口晶振
- 日本大真空晶振
- 愛普生晶振
- 精工晶振
- 西鐵城晶振
- 村田晶振
- 進口KSS晶振
- NDK晶振
- 大河石英晶振
- 美國CTS晶振
- 微晶晶振
- Abracon晶振
- ECS晶振
- Golledge晶振
- IDT晶振
- Jauch晶振
- Pletronics晶振
- 拉隆晶振
- SiTime晶振
- Statek晶振
- 格林雷晶振
- 康納溫菲爾德晶振
- 日蝕晶振
- 瑞康晶振
- 維管晶振
- AEK晶振
- AEL晶振
- Cardinal晶振
- Crystek晶振
- Euroquartz晶振
- FOX晶振
- Frequency晶振
- Geyer晶振
- KVG晶振
- ILSI晶振
- MERCURY晶振
- MMDCOMP晶振
- MtronPTI晶振
- QANTEK晶振
- QuartzCom晶振
- Quarztechnik晶振
- Suntsu晶振
- Transko晶振
- Wi2Wi晶振
- Fujicom晶振
- Interquip晶振
- ITTI晶振
- Lihom晶振
- MTI晶振
- NAKA晶振
- Oscilent晶振
- PDI晶振
- Rubyquartz晶振
- Shinsung晶振
- SMI晶振
- CTECH晶振
- IQD晶振
- Microchip晶振
- NJR晶振
- Silicon晶振
- Anderson晶振
- Fortiming晶振
- CORE晶振
- NIPPON晶振
- NICKC晶振
- QVS晶振
- Bomar晶振
- Bliley晶振
- GED晶振
- FILTRONETICS晶振
- STD晶振
- Q-Tech晶振
- Wenzel晶振
- NEL晶振
- EM晶振
- PETERMANN晶振
- FCD-Tech晶振
- HEC晶振
- FMI晶振
- Macrobizes晶振
- AXTAL晶振
- Sunny晶振
- 瑞薩Renesas晶振
- SKYWORKS晶振
- Dynamic迪拉尼晶振
車載電子
數碼電子
智能家居
時計產品
無線網絡
智能穿戴
醫療器械
無人機
0755-27876201
常見問題
更多>>AEL晶振
-
M32K768000S003,32.768KHz,2012mm,AEL有源晶振
產品型號:54722864
頻率:32.768KHz
尺寸:2.0x1.2mm
產品介紹: M32K768000S003,32.768KHz,2012mm,AEL有源晶振,MEMS,CMOS輸出振蕩器,AEL晶振,艾爾晶振,英國進口晶振,產品編碼為:M32K768000S003,頻率:32.768KHz,MEMS晶振,CMOS輸出振蕩器,工作溫度范圍:-40℃至+85℃,頻率... -
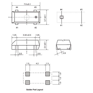
1610mm,ELS05-32.768kHz-9-T,AEL品牌,兩腳貼片晶振
產品型號:90128666
頻率:32.768KHz
尺寸:1.6x1.0x0.5mm
產品介紹: 1610mm,ELS05-32.768kHz-9-T,AEL品牌,兩腳貼片晶振,ELS05,智能手機晶振,AEL晶振,艾爾晶振,英國進口晶振,型號:ELS05系列,編碼為:ELS05-32.768kHz-9-T,頻率:32.768KHz,負載電容:9pF,精度:20ppm,工作溫度范... -
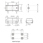
ELS06-32.768kHz-9-T,2012mm,AEL晶振,輕薄型晶振
產品型號:89212929
頻率:32.768KHz
尺寸:2.0x1.2x0.6mm
產品介紹: ELS06-32.768kHz-9-T,2012mm,AEL晶振,輕薄型晶振,ELS06,手表晶振,英國進口晶振,AEL艾爾晶振,型號:ELS06系列,編碼為:ELS06-32.768kHz-9-T,頻率:32.768KHz,負載電容:9pF,工作溫度范圍:-40℃至+85℃,精度:... -
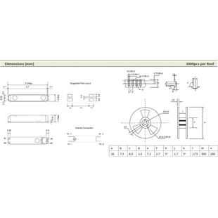
8038mm,ELS25-32.768kHz-T,AEL品牌,陶瓷諧振器
產品型號:20916669
頻率:32.768KHz
尺寸:8.0x3.8x2.5mm
產品介紹: 8038mm,ELS25-32.768kHz-T,AEL品牌,陶瓷諧振器,ELS25,智能家居晶振,英國進口晶振,AEL艾爾晶振,型號:ELS25系列,編碼為:ELS25-32.768kHz-T,頻率:32.768KHz,負載電容:12.5pF,工作溫度范圍:-40℃至+85℃,小體... -
ELS25-32.768kHz-6-2-T,8038mm,AEL晶振,數碼電子晶振
產品型號:7065550
頻率:32.768KHz
尺寸:8.0x3.8x2.5mm
產品介紹: ELS25-32.768kHz-6-2-T,8038mm,AEL晶振,數碼電子晶振,ELS25,石英晶體諧振器,英國進口晶振,AEL晶振,艾爾晶振,型號:ELS25系列,編碼為:ELS25-32.768kHz-6-2-T,頻率:32.768KHz,負載電容:6pF,精度:20ppm,工作... -
ELS13-32.768kHz-T,AEL進口晶振,7015mm,儀器儀表晶振
產品型號:46561445
頻率:32.768KHz
尺寸:7.0x1.5x1.4mm
產品介紹: ELS13-32.768kHz-T,AEL進口晶振,7015mm,儀器儀表晶振,ELS13,SMD晶振,英國進口晶振,AEL艾爾晶振,型號:ELS13系列,編碼為:ELS13-32.768kHz-T,頻率:32.768KHz,負載電容:12.5pF,精度:20ppm,工作溫度范圍:-40... -
ELS13-32.768kHz-9-T,7015mm,AEL晶振,音叉晶體
產品型號:26744179
頻率:32.768KHz
尺寸:7.0x1.5x1.4mm
產品介紹: ELS13-32.768kHz-9-T,7015mm,AEL晶振,音叉晶體,ELS13,陶瓷諧振器,英國進口晶振,AEL艾爾晶振,型號:ELS13系列,編碼為:ELS13-32.768kHz-9-T,頻率:32.768KHz,負載電容:9pF,精度:20ppm,工作溫度范圍:-40℃至... -
7015mm,ELS13-32.768kHz-7-T,AEL品牌,陶瓷晶振
產品型號:19048696
頻率:32.768KHz
尺寸:7.0x1.5x1.4mm
產品介紹: 7015mm,ELS13-32.768kHz-7-T,AEL品牌,陶瓷晶振,ELS13,水晶振動子,英國進口晶振,AEL晶振,艾爾晶振,型號:ELS13系列,編碼為:ELS13-32.768kHz-7-T,頻率:32.768KHz,負載電容:7pF,精度:20ppm,工作溫度范圍:-... -
ELS07-32.768kHz-T,AEL艾爾晶振,3215mm石英晶振
產品型號:87206318
頻率:32.768KHz
尺寸:3.2x1.5x0.75mm
產品介紹: ELS07-32.768kHz-T,AEL艾爾晶振,3215mm石英晶振,ELS07,鐘表電子晶振,英國進口晶振,AEL艾爾晶振,型號:ELS07系列,編碼為:ELS07-32.768kHz-T,頻率:32.768KHz,負載電容:12.5pF,精度:20ppm,工作溫度范圍:-40... -
ELS07-32.768kHz-6-T,3215mm,AEL晶振,輕薄型晶振
產品型號:77227830
頻率:32.768KHz
尺寸:3.2x1.5mm
產品介紹: ELS07-32.768kHz-6-T,3215mm,AEL晶振,輕薄型晶振,ELS07,音叉晶體,英國進口晶振,AEL艾爾晶振,型號:ELS07系列,編碼為:ELS07-32.768kHz-6-T,頻率:32.768KHz,負載電容:6pF,工作溫度范圍:-40℃至+85℃,小體積... -
ELM12W-24.000MHz-6-R120-D7X-T3,AEL無源晶振,輕薄型晶...
產品型號:65344290
頻率:24.000MHz
尺寸:1.6x1.2mm
產品介紹: ELM12W-24.000MHz-6-R120-D7X-T3,AEL無源晶振,輕薄型晶振,英國進口晶振,AEL晶振,艾爾晶振,型號:ELM12W晶振,編碼為:ELM12W-24.000MHz-6-R120-D7X-T3,頻率為:24.000MHz,小體積晶振尺寸:1.6x1.2mm封裝,四腳貼... -
艾爾2016mm晶振,ELM11-16.000MHz-D7X-T,智能穿戴設備晶...
產品型號:61104603
頻率:16.000MHz
尺寸:2.0x1.6mm
產品介紹: 艾爾2016mm晶振,ELM11-16.000MHz-D7X-T,智能穿戴設備晶振,英國進口晶振,AEL晶振,艾爾晶振,型號:ELM11晶振,編碼為:ELM11-16.000MHz-D7X-T,頻率為:16.000MHz,小體積晶振尺寸:2.0x1.6mm封裝,四腳貼片晶振,石... -
AEL石英晶體諧振器,ELM10-12.000MHz-9-7-T,超小型晶振
產品型號:91403453
頻率:12.000MHz
尺寸:2.5x2.0mm
產品介紹: AEL石英晶體諧振器,ELM10-12.000MHz-9-7-T,超小型晶振,英國進口晶振,AEL晶振,艾爾晶振,型號:ELM10晶振,編碼為:ELM10-12.000MHz-9-7-T,頻率為:12.000MHz,負載電容:9pF,精度:15ppm,小體積晶振尺寸:2.5x2... -
艾爾3225mm晶體,ELM8-26.000MHz-10-D4Y-T,車載控制器晶...
產品型號:35253995
頻率:26.000MHz
尺寸:3.2x2.5mm
產品介紹: 艾爾3225mm晶體,ELM8-26.000MHz-10-D4Y-T,車載控制器晶振,英國進口晶振,AEL晶振,艾爾SMD晶振,型號:ELM8晶振,編碼為:ELM8-26.000MHz-10-D4Y-T,頻率為:26.000MHz,負載電容:10pF,小體積晶振尺寸:3.2x2.5mm封... -
AEL兩腳貼片晶振,ELM3-20.000MHz-E7U-T,藍牙模塊晶振
產品型號:75378263
頻率:20.000MHz
尺寸:5.0x3.2mm
產品介紹: AEL兩腳貼片晶振,ELM3-20.000MHz-E7U-T,藍牙模塊晶振,英國進口晶振,AEL晶振,艾爾晶振,型號:ELM3晶振,編碼為:ELM3-20.000MHz-E7U-T,頻率為:20.000MHz,小體積晶振尺寸:5.0x3.2mm封裝,陶瓷SMD晶體,兩腳貼片... -
AEL無源晶體,ELLS-14.7456MHz-12-R40-D7-T,石英晶體諧振...
產品型號:92866959
頻率:14.7456MHz
尺寸:11.4mmx4.7mm
產品介紹: AEL無源晶體,ELLS-14.7456MHz-12-R40-D7-T,石英晶體諧振器,英國進口晶振,AEL晶振,艾爾晶振,型號:ELLS晶振,編碼為:ELLS-14.7456MHz-12-R40-D7-T,頻率為:14.7456MHz,小體積晶振尺寸:11.4x4.7mm陶瓷SMD晶體封... -
AEL晶振,AEL1210晶振,無源兩腳晶振
產品型號:64820244
頻率:32.768KHZ
尺寸:1.2*1.0mm
產品介紹: AEL晶振,AEL1210晶振,無源兩腳晶振,32.768K時鐘晶體具有小型,薄型,輕型的貼片晶振表面音叉型晶體振蕩器,產品具有優良的耐熱性,耐環境特性,可發揮晶振優良的電氣特性,符合RoHS規定,滿足無鉛焊接的高溫回流溫度曲線要求... -
AEL晶振,PMX-145晶振,低抖動晶振
產品型號:88378181
頻率:32.768KHZ
尺寸:7.0*1.5mm
產品介紹: AEL晶振,PMX-145晶振,低抖動晶振,超小型,薄型,質地輕的表面貼片音叉型晶體振蕩器,手機晶體,產品體積小,特別適用于各種小巧的便攜式消費電子數碼產品,在移動通信領域得到了廣泛的應用,晶振產品本身可發揮優良的電氣特性... -
AEL晶振,PSX-315晶振,32.768KHZ晶振
產品型號:39296324
頻率:32.768KHZ
尺寸:3.2*1.5mm
產品介紹: AEL晶振,PSX-315晶振,32.768KHZ晶振,貼片表晶32.768K系列具有超小型,薄型,質地輕的表面貼片音叉型石英晶體振蕩器,晶振產品本身具備優良的耐熱性,耐環境特性,在辦公自動化,家電領域,移動通信領域可發揮優良的電氣特性,... -
AEL晶振,ZM-206晶振,SMD晶振
產品型號:84496132
頻率:32.768KHZ
尺寸:8.0*3.8mm
產品介紹: AEL晶振,ZM-206晶振,SMD晶振,32.768K時鐘晶體具有小型,薄型,輕型的貼片晶振表面音叉型晶體振蕩器,產品具有優良的耐熱性,耐環境特性,可發揮晶振優良的電氣特性,符合RoHS規定,滿足無鉛焊接的高溫回流溫度曲線要求,金屬外...
共:20條信息




