康比電子roducts
國產晶振
臺產晶振
進口晶振
- 日本大真空晶振
- 愛普生晶振
- 精工晶振
- 西鐵城晶振
- 村田晶振
- 進口KSS晶振
- NDK晶振
- 大河石英晶振
- 美國CTS晶振
- 微晶晶振
- Abracon晶振
- ECS晶振
- Golledge晶振
- IDT晶振
- Jauch晶振
- Pletronics晶振
- 拉隆晶振
- SiTime晶振
- Statek晶振
- 格林雷晶振
- 康納溫菲爾德晶振
- 日蝕晶振
- 瑞康晶振
- 維管晶振
- AEK晶振
- AEL晶振
- Cardinal晶振
- Crystek晶振
- Euroquartz晶振
- FOX晶振
- Frequency晶振
- Geyer晶振
- KVG晶振
- ILSI晶振
- MERCURY晶振
- MMDCOMP晶振
- MtronPTI晶振
- QANTEK晶振
- QuartzCom晶振
- Quarztechnik晶振
- Suntsu晶振
- Transko晶振
- Wi2Wi晶振
- Fujicom晶振
- Interquip晶振
- ITTI晶振
- Lihom晶振
- MTI晶振
- NAKA晶振
- Oscilent晶振
- PDI晶振
- Rubyquartz晶振
- Shinsung晶振
- SMI晶振
- CTECH晶振
- IQD晶振
- Microchip晶振
- NJR晶振
- Silicon晶振
- Anderson晶振
- Fortiming晶振
- CORE晶振
- NIPPON晶振
- NICKC晶振
- QVS晶振
- Bomar晶振
- Bliley晶振
- GED晶振
- FILTRONETICS晶振
- STD晶振
- Q-Tech晶振
- Wenzel晶振
- NEL晶振
- EM晶振
- PETERMANN晶振
- FCD-Tech晶振
- HEC晶振
- FMI晶振
- Macrobizes晶振
- AXTAL晶振
- Sunny晶振
- 瑞薩Renesas晶振
- SKYWORKS晶振
- Dynamic迪拉尼晶振
車載電子
數碼電子
智能家居
時計產品
無線網絡
智能穿戴
醫療器械
無人機
0755-27876201
常見問題
更多>>
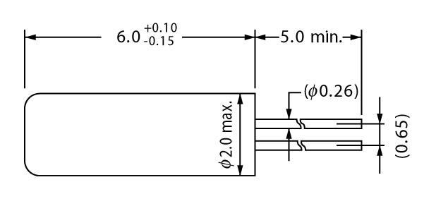
VT-200-F晶振,進口表晶,玩具晶振“VT200F-12.5PF20PPM”應用于時鐘模塊,智能手機,全球定位系統,因產品本身體積小,SMD編帶型,可應用于高性能自動貼片焊接,被廣泛應用到各種小巧的便攜式消費電子數碼時間產品,環保性能符合ROHS/無鉛標準.
.jpg)
| 項目 | 記 號 | VT-200-F | 條 件 |
| 頻率 | f_nom | 32.768kHz | |
| 頻率容許偏差 | f_tol | ±20x10−6, ±50x10−6 | |
| 頂點溫度 | Ti | +25±5°C | |
| 二級溫度系數 | B | (−3.5±1.0)x10−8/°C2 | |
| 負載容量 | CL | 7.0pF/9.0pF/12.5pF | |
| 串聯電阻 | R1 | 65kÙ 最大值 | |
| 絕對最大激勵等級 | DLmax. | 1μW | |
| 推薦激勵等級 | DL | 0.1μW | |
| 并聯電容 | C0 | 0.8pF 典型值 | |
| 頻率老化程度 | f_age | ±3x10-6 | +25±3°C,第一年 |
| 工作溫度范圍 | T_use | -40°C~+85°C | |
| 保存溫度范圍 | T_stg | -55°C~+125°C | 單件保管 |
.jpg)

.jpg)
.jpg)
振蕩寬限:
“VT200F-12.5PF20PPM”為了使石英晶振在振蕩電路中可以穩定地發生振蕩,電路的負性電阻與晶振的等效串聯電阻相比,必須具有充分大的容 量(振蕩寬限要大).建議將振蕩寬限設置為晶振的等效串聯電阻的5倍以上.
振蕩寬限評價方法的示例:
與晶振串聯連接上純電阻 Rx,確認振蕩的開始或結 束.緩慢地使 Rx 值逐漸變大 , 開始或結束振蕩時 的最大電阻 Rx 加上晶振的有效電阻 Re,就是該電 路的大概負性電阻的數值.負性電阻 |- R| = Rx + Re|−R| 為晶振的等效串聯電阻的最大值 (R1 max.) 的 5 倍以上.*Re 為振蕩時的有效電阻值.Re = R1 (1 + CO/CL ) 2
自1881年創業以來,精工公司已不斷地向全世界推出了各種具有革新性的商品和服務.以腕表、電子元器件、系統解決方案的3大業務為軸心,推進各種業務,在全球范圍內開展各項活動.精工永恒不變主體就是,依靠“覺得可靠的質量”讓顧客得到放心.將集團理念定為“努力成為值得社會信賴的公司”,我們希望像全世界的顧客提供值得信賴的商品和服務.
“VT200F-12.5PF20PPM”精工科技股份有限公司,依據‘ISO 14001環境/OHSAS-18001安衛管理系統’要求制定本‘環境/安衛手冊’,以界定本公司環境/安衛管理系統之范圍,包括任何排除之細節及調整,并指引環境/安衛管理系統與各書面、辦法書之對應關系,包含在環境/安衛管理系統內之流程順序及交互作用的描述.本公司環境/安衛管理系統之適用范圍包含公司所有的活動、產品及服務. 
1、技術支持:全方位技術指導,專業的技術支持讓您感受到前所未有的后顧無憂.3、質量保證,誠信為本,上我司以“以科技為動力,以質量求生存,”為理念.
4、提升業績,降低成本為您的產品量身訂制,免費取樣,為您做到低成本,高效率.
康比電子聯系方式:Q Q: 577541227
電 話:0755-27876201
手 機: 13728742863
Email: kangbidz@163.com
網 址: http://m.jqhs.com.cn/
地 址: 廣東省深圳市寶安區41區










