康比電子roducts
國產晶振
臺產晶振
進口晶振
- 日本大真空晶振
- 愛普生晶振
- 精工晶振
- 西鐵城晶振
- 村田晶振
- 進口KSS晶振
- NDK晶振
- 大河石英晶振
- 美國CTS晶振
- 微晶晶振
- Abracon晶振
- ECS晶振
- Golledge晶振
- IDT晶振
- Jauch晶振
- Pletronics晶振
- 拉隆晶振
- SiTime晶振
- Statek晶振
- 格林雷晶振
- 康納溫菲爾德晶振
- 日蝕晶振
- 瑞康晶振
- 維管晶振
- AEK晶振
- AEL晶振
- Cardinal晶振
- Crystek晶振
- Euroquartz晶振
- FOX晶振
- Frequency晶振
- Geyer晶振
- KVG晶振
- ILSI晶振
- MERCURY晶振
- MMDCOMP晶振
- MtronPTI晶振
- QANTEK晶振
- QuartzCom晶振
- Quarztechnik晶振
- Suntsu晶振
- Transko晶振
- Wi2Wi晶振
- Fujicom晶振
- Interquip晶振
- ITTI晶振
- Lihom晶振
- MTI晶振
- NAKA晶振
- Oscilent晶振
- PDI晶振
- Rubyquartz晶振
- Shinsung晶振
- SMI晶振
- CTECH晶振
- IQD晶振
- Microchip晶振
- NJR晶振
- Silicon晶振
- Anderson晶振
- Fortiming晶振
- CORE晶振
- NIPPON晶振
- NICKC晶振
- QVS晶振
- Bomar晶振
- Bliley晶振
- GED晶振
- FILTRONETICS晶振
- STD晶振
- Q-Tech晶振
- Wenzel晶振
- NEL晶振
- EM晶振
- PETERMANN晶振
- FCD-Tech晶振
- HEC晶振
- FMI晶振
- Macrobizes晶振
- AXTAL晶振
- Sunny晶振
- 瑞薩Renesas晶振
- SKYWORKS晶振
- Dynamic迪拉尼晶振
車載電子
數碼電子
智能家居
時計產品
無線網絡
智能穿戴
醫療器械
無人機
0755-27876201
常見問題
更多>>
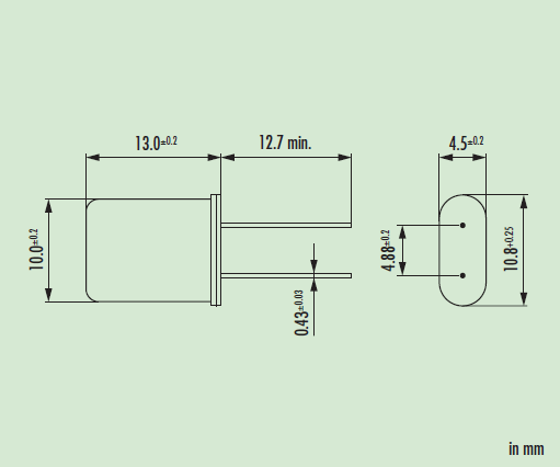
Jauch晶振,石英晶振,HC49/U晶振,引腳焊接型石英晶體元件.高精度的頻率和晶振本身更低的等效串聯電阻.常用負載電容,因插件型鏡頭成本更低和更高的批量生產能力.主要應用于電視,機頂盒,LCDM和游戲機家用常規電器數碼產品等的最佳選擇.符合RoHS/無鉛.
石英晶振的切割設計:用不同角度對晶振的石英晶棒進行切割,可獲得不同特性的石英晶片,通常我們把晶振的石英晶片對晶棒坐標軸某種方位(角度)的切割稱為石英晶片的切型。不同切型的石英晶片,因其彈性性質,壓電性質,溫度性質不同,其電特性也各異,石英晶振目前主要使用的有 AT切、BT切。其它切型還有 CT、DT、GT、NT等。
.jpg)
| Jauch晶振規格 | 單位 | HC49/U晶振頻率范圍 | 石英晶振基本條件 |
| 標準頻率 | f_nom | 1.8432~250MHZ | 標準頻率 |
| 儲存溫度 | T_stg | -55°C ~ +125°C | 裸存 |
| 工作溫度 | T_use | -40°C ~ +85°C | 標準溫度 |
| 激勵功率 | DL | 200μW Max. | 推薦:1μW ~ 100μW |
| 頻率公差 | f_— l |
±50 × 10-6 (標準), (±15 × 10-6 ~ ±50 × 10-6 可用) |
+25°C 對于超出標準的規格說明,請聯系我們以便獲取相關的信息, http://m.jqhs.com.cn |
| 頻率溫度特征 | f_tem | ±30 × 10-6/-20°C ~ +70°C | 超出標準的規格請聯系我們. |
| 負載電容 | CL | 8pF ,10PF,12PF,20PF | 不同負載電容要求,請聯系我們. |
| 串聯電阻(ESR) | R1 | 如下表所示 | -40°C — +85°C, DL = 100μW |
| 頻率老化 | f_age | ±5 × 10-6 / year Max. | +25°C,第一年 |
.jpg)


Jauch晶振所有產品的共同點
1:抗沖擊
抗沖擊是指晶振產品可能會在某些條件下受到損壞。例如從桌上跌落,摔打,高空拋壓或在貼裝過程中受到沖擊。如果產品已受過沖擊請勿使用。因為無論何種石英晶振,其內部晶片都是石英晶振制作而成的,高空跌落摔打都會給晶振照成不良影響。
2:輻射
將貼片晶振暴露于輻射環境會導致產品性能受到損害,因此應避免陽光長時間的照射。
3:化學制劑 / pH值環境
請勿在PH值范圍可能導致腐蝕或溶解石英晶振或包裝材料的環境下使用或儲藏這些產品。
4:粘合劑
請勿使用可能導致石英晶振所用的封裝材料,終端,組件,玻璃材料以及氣相沉積材料等受到腐蝕的膠粘劑。(比如,氯基膠粘劑可能腐蝕一個晶振的金屬“蓋”,從而破壞密封質量,降低性能。)
5:鹵化合物
請勿在鹵素氣體環境下使用晶振。即使少量的鹵素氣體,比如在空氣中的氯氣內或封裝所用金屬部件內,都可能產生腐蝕。同時,請勿使用任何會釋放出鹵素氣體的樹脂。
6:靜電
過高的靜電可能會損壞貼片晶振,請注意抗靜電條件。請為容器和封裝材料選擇導電材料。在處理的時候,請使用電焊槍和無高電壓泄漏的測量電路,并進行接地操作。Jauch晶振,石英晶振,HC49/U晶振

1、技術支持:全方位技術指導,專業的技術支持讓您感受到前所未有的后顧無憂.2、客服咨詢:專業的銷售團隊,耐心為您解答任何疑問,讓您的消費得到保障.
3、質量保證,誠信為本,上我司以“以科技為動力,以質量求生存,”為理念.
4、提升業績,降低成本為您的產品量身訂制,免費取樣,為您做到低成本,高效率.

康比電子聯系方式:Q Q: 577541227
電 話:0755-27876201
手 機: 13728742863
Email: kangbidz@163.com
網 址: http://m.jqhs.com.cn/
地 址: 廣東省深圳市寶安區41區33棟6層






