康比電子roducts
國產晶振
臺產晶振
進口晶振
- 日本大真空晶振
- 愛普生晶振
- 精工晶振
- 西鐵城晶振
- 村田晶振
- 進口KSS晶振
- NDK晶振
- 大河石英晶振
- 美國CTS晶振
- 微晶晶振
- Abracon晶振
- ECS晶振
- Golledge晶振
- IDT晶振
- Jauch晶振
- Pletronics晶振
- 拉隆晶振
- SiTime晶振
- Statek晶振
- 格林雷晶振
- 康納溫菲爾德晶振
- 日蝕晶振
- 瑞康晶振
- 維管晶振
- AEK晶振
- AEL晶振
- Cardinal晶振
- Crystek晶振
- Euroquartz晶振
- FOX晶振
- Frequency晶振
- Geyer晶振
- KVG晶振
- ILSI晶振
- MERCURY晶振
- MMDCOMP晶振
- MtronPTI晶振
- QANTEK晶振
- QuartzCom晶振
- Quarztechnik晶振
- Suntsu晶振
- Transko晶振
- Wi2Wi晶振
- Fujicom晶振
- Interquip晶振
- ITTI晶振
- Lihom晶振
- MTI晶振
- NAKA晶振
- Oscilent晶振
- PDI晶振
- Rubyquartz晶振
- Shinsung晶振
- SMI晶振
- CTECH晶振
- IQD晶振
- Microchip晶振
- NJR晶振
- Silicon晶振
- Anderson晶振
- Fortiming晶振
- CORE晶振
- NIPPON晶振
- NICKC晶振
- QVS晶振
- Bomar晶振
- Bliley晶振
- GED晶振
- FILTRONETICS晶振
- STD晶振
- Q-Tech晶振
- Wenzel晶振
- NEL晶振
- EM晶振
- PETERMANN晶振
- FCD-Tech晶振
- HEC晶振
- FMI晶振
- Macrobizes晶振
- AXTAL晶振
- Sunny晶振
- 瑞薩Renesas晶振
- SKYWORKS晶振
- Dynamic迪拉尼晶振
車載電子
數碼電子
智能家居
時計產品
無線網絡
智能穿戴
醫療器械
無人機
0755-27876201
常見問題
更多>>.jpg)
.jpg)
Skyworks差分晶體振蕩器,545BAB122M880ABGR,Si545數據中心應用晶振,美國進口晶振,Skyworks思佳訊晶振,型號:Si545,編碼為:545BAB122M880ABGR,頻率為:122.880MHz,小體積晶振尺寸:7.0x5.0mm封裝,六腳貼片晶振,LVDS輸出差分晶體振蕩器,差分晶振,石英晶振,有源晶振,石英晶體振蕩器。應用于:100G/200G/400G OTN,相干光學,10G/40G/100G光學以太網,3G-SDI/12G-SDI/24G-SDI廣播視頻,數據中心,測試和測量,時鐘和數據恢復,FPGA/ASIC時鐘,物聯網,路由器,交換機等應用。
Si545超系列™振蕩器利用天空解決方案先進的第四代DSPLL®技術,在任何輸出頻率提供超低抖動、低相位噪聲時鐘。該設備被工廠編程到從0.2到1500 MHz的任何頻率,分辨率為<1 ppb,并在其工作范圍內對整數和分數頻率保持異常低的抖動。Si545有源晶振提供了卓越的可靠性和頻率穩定性,以及保證老化性能。片上電源濾波提供了行業領先的電源噪聲抑制,簡化了在使用切換模式電源的有噪聲系統中產生低抖動時鐘的任務。Si545采用了行業標準,有一個大大簡化的供應鏈,使Skyworks能夠在收到訂單1-2周后發送定制頻率樣本。與傳統的XO不同,每個輸出頻率都需要不同的晶體,Si545使用一個簡單的晶體和一種基于DSPLL ic的方法來提供所需的輸出頻率。這個過程也保證了每個設備的100%的電氣測試。Si545可在工廠上配置各種用戶規格,包括頻率、輸出格式和OE引腳位置/極性。特定的配置是在裝運時由工廠編程的,消除了與自定義振蕩器相關的長交貨時間。
.jpg)
Skyworks差分晶體振蕩器,545BAB122M880ABGR,Si545數據中心應用晶振,參數表
| Parameter | Symbol | Test Condition/Comment | Min | Typ | Max | Unit | |||||||||||||||||||||||||||||||||||
| Temperature Range | TA | –40 | 85 | ºC | |||||||||||||||||||||||||||||||||||||
| Frequency Range | FCLK | LVPECL, LVDS, CML | 122.880 | MHz | |||||||||||||||||||||||||||||||||||||
| HCSL | 0.2 | — | 400 | MHz | |||||||||||||||||||||||||||||||||||||
| CMOS, Dual CMOS | 0.2 | 250 | MHz | ||||||||||||||||||||||||||||||||||||||
| Supply Voltage | V DD | 3.3 V | 3.135 | 3.3 | 3.465 | V | |||||||||||||||||||||||||||||||||||
| 2.5 V | 2.375 | 2.5 | 2.625 | V | |||||||||||||||||||||||||||||||||||||
| 1.8 V | 1.71 | 1.8 | 1.89 | V | |||||||||||||||||||||||||||||||||||||
| Supply Current | IDD | LVPECL (output enabled) | 107 | 153 | mA | ||||||||||||||||||||||||||||||||||||
| LVDS/CML (output enabled) | — | 83 | 121 | mA | |||||||||||||||||||||||||||||||||||||
| HCSL (output enabled) | 86 | 126 | mA | ||||||||||||||||||||||||||||||||||||||
| HCSL-Fast (output enabled) | — | 94 | 138 | mA | |||||||||||||||||||||||||||||||||||||
| CMOS (output enabled) | 87 | 127 | mA | ||||||||||||||||||||||||||||||||||||||
| Dual CMOS (output enabled) | — | 92 | 141 | mA | |||||||||||||||||||||||||||||||||||||
| Tristate Hi-Z (output disabled) | 73 | 112 | mA | ||||||||||||||||||||||||||||||||||||||
| Temperature Stability | Frequency stability Grade A | –20 | — | 20 | ppm | ||||||||||||||||||||||||||||||||||||
| Frequency stability Grade B | –10 | 10 | ppm | ||||||||||||||||||||||||||||||||||||||
| Frequency stability Grade C | –7 | — | 7 | ppm | |||||||||||||||||||||||||||||||||||||
| Total Stability1 | F STAB | Frequency stability Grade A | –50 | 50 | ppm | ||||||||||||||||||||||||||||||||||||
| Frequency stability Grade B | –25 | — | 25 | ppm | |||||||||||||||||||||||||||||||||||||
| Frequency stability Grade C | –20 | 20 | ppm | ||||||||||||||||||||||||||||||||||||||
|
Rise/Fall Time (20% to 80% VPP) |
TR/T F | LVPECL/LVDS/CML | — | — | 350 | ps | |||||||||||||||||||||||||||||||||||
| CMOS / Dual CMOS, (CL = 5 pF) | — | 0.5 | 1.5 | ns | |||||||||||||||||||||||||||||||||||||
| HCSL, FCLK>50 MHz | 550 | ps | |||||||||||||||||||||||||||||||||||||||
| HCSL-Fast, FCLK>50 MHz | — | — | 275 | ps | |||||||||||||||||||||||||||||||||||||
| Duty Cycle | DC | All formats | 45 | — | 55 | % | |||||||||||||||||||||||||||||||||||
| Output Enable (OE)2 | VIH | 0.7 × V DD | — | — | V | ||||||||||||||||||||||||||||||||||||
| VIL | 0.3 × V DD | V | |||||||||||||||||||||||||||||||||||||||
| TD | Output Disable Time, FCLK> 10 MHz | — | — | 3 | µs | ||||||||||||||||||||||||||||||||||||
| TE | Output Enable Time, FCLK> 10 MHz | — | — | 20 | µs | ||||||||||||||||||||||||||||||||||||
| Powerup Time | tOSC |
Time from 0.9 × V DD until output fre- quency (FCLK) within spec |
— | — | 10 | ms | |||||||||||||||||||||||||||||||||||
| Powerup VDD Ramp Rate | V RAMP |
Fastest VDD ramp rate allowed on startup |
100 | V/ms | |||||||||||||||||||||||||||||||||||||
.jpg)
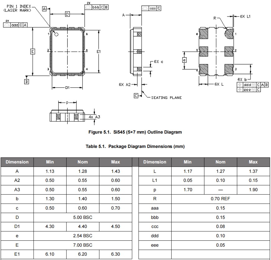
Skyworks差分晶體振蕩器,545BAB122M880ABGR,Si545數據中心應用晶振,尺寸圖
Skyworks差分晶體振蕩器,545BAB122M880ABGR,Si545數據中心應用晶振
產品特點:
可用于0.2 MHz至1500 MHz的任何頻率
超低抖動:80 fs典型RMS(12 kHz–20 MHz)
出色的PSNR和電源抗擾度:–80 dBc Typ
7ppm穩定性選項(-40至85°C)
相同零件號的3.3 V、2.5 V和1.8 V VDD電源操作
LVPECL、LVDS、CML、HCSL、CMOS和雙CMOS輸出選項
2.5×3.2、3.2×5、5×7 mm封裝選項石英晶體振蕩器
樣品可用,交付周期為1-2周
| 編碼 | 進口晶振 | 系列 | 頻率 | 輸出 | 電壓 |
| 545BAA200M000BBG | Skyworks晶振 | Si545 | 200 MHz | LVDS | 1.8V, 2.5V, 3.3V |
| 545BAA000127BBG | Skyworks晶振 | Si545 | 644.53125 MHz | LVDS | 1.8V, 2.5V, 3.3V |
| 545BCA000127BBG | Skyworks晶振 | Si545 | 644.53125 MHz | LVDS | 1.8V, 2.5V, 3.3V |
| 545BAA100M000ABGR | Skyworks晶振 | Si545 | 100 MHz | LVDS | 1.8V, 2.5V, 3.3V |
| 545BAA106M250ABGR | Skyworks晶振 | Si545 | 106.25 MHz | LVDS | 1.8V, 2.5V, 3.3V |
| 545BAA25M0000BBGR | Skyworks晶振 | Si545 | 25 MHz | LVDS | 1.8V, 2.5V, 3.3V |
| 545BAA40M2500ABGR | Skyworks晶振 | Si545 | 40.25 MHz | LVDS | 1.8V, 2.5V, 3.3V |
| 545BAA52M0000BBGR | Skyworks晶振 | Si545 | 52 MHz | LVDS | 1.8V, 2.5V, 3.3V |
| 545BAA80M0000BBGR | Skyworks晶振 | Si545 | 80 MHz | LVDS | 1.8V, 2.5V, 3.3V |
| 545BAB100M000BBGR | Skyworks晶振 | Si545 | 100 MHz | LVDS | 1.8V, 2.5V, 3.3V |
| 545BAB122M880ABGR | Skyworks晶振 | Si545 | 122.88 MHz | LVDS | 1.8V, 2.5V, 3.3V |
| 545BAA106M250BBGR | Skyworks晶振 | Si545 | 106.25 MHz | LVDS | 1.8V, 2.5V, 3.3V |
| 545BAA125M000BBGR | Skyworks晶振 | Si545 | 125 MHz | LVDS | 1.8V, 2.5V, 3.3V |
| 545BAA78M1250BBGR | Skyworks晶振 | Si545 | 78.125 MHz | LVDS | 1.8V, 2.5V, 3.3V |
| 545BBA160M000ACG | Skyworks晶振 | Si545 | 160 MHz | LVDS | 1.8V ~ 3.3V |
| 545BAA250M000ACG | Skyworks晶振 | Si545 | 250 MHz | LVDS | 1.8V ~ 3.3V |
| 545BAA322M265ACG | Skyworks晶振 | Si545 | 322.265 MHz | LVDS | 1.8V ~ 3.3V |
| 545BCA50M0015ACG | Skyworks晶振 | Si545 | 50.0015 MHz | LVDS | 1.8V ~ 3.3V |
| 545BAA106M250ACG | Skyworks晶振 | Si545 | 106.25 MHz | LVDS | 1.8V ~ 3.3V |
| 545BAA700M000ACG | 石英晶振 | Si545 | 700 MHz | LVDS | 1.8V ~ 3.3V |
| 545BAA160M000BCG | Skyworks晶振 | Si545 | 160 MHz | LVDS | 1.8V ~ 3.3V |
| 545BAA40M2500ACG | Skyworks晶振 | Si545 | 40.25 MHz | LVDS | 1.8V ~ 3.3V |
| 545BAA000274ACG | Skyworks晶振 | Si545 | 322.265625 MHz | LVDS | 1.8V ~ 3.3V |
| 545BAA100M000BCGR | Skyworks晶振 | Si545 | 100 MHz | LVDS | 1.8V ~ 3.3V |
| 545BAA100M000ACGR | Skyworks晶振 | Si545 | 100 MHz | LVDS | 1.8V ~ 3.3V |
| 545BAA25M0000BCGR | Skyworks晶振 | Si545 | 25 MHz | LVDS | 1.8V ~ 3.3V |
| 545BAA125M000BCGR | Skyworks晶振 | Si545 | 125 MHz | LVDS | 1.8V ~ 3.3V |
| 545BAA10M0000BCGR | Skyworks晶振 | Si545 | 10 MHz | LVDS | 1.8V ~ 3.3V |
| 545BCA25M0000CCGR | Skyworks晶振 | Si545 | 25 MHz | LVDS | 1.8V ~ 3.3V |
| 545BCA27M0000CCGR | Skyworks晶振 | Si545 | 27 MHz | LVDS | 1.8V ~ 3.3V |
| 545BAA65M0000CCGR | Skyworks晶振 | Si545 | 65 MHz | LVDS | 1.8V ~ 3.3V |
| 545BAB125M000ACGR | Skyworks晶振 | Si545 | 125 MHz | LVDS | 1.8V, 2.5V, 3.3V |
| 545BAA100M000CCGR | Skyworks晶振 | Si545 | 100 MHz | LVDS | 1.8V, 2.5V, 3.3V |
| 545BAA125M000ACGR | Skyworks晶振 | Si545 | 125 MHz | LVDS | 1.8V, 2.5V, 3.3V |
| 545BAB122M880ACG | Skyworks晶振 | Si545 | 122.88 MHz | LVDS | 1.8V ~ 3.3V |
| 545BAA160M000BCGR | Skyworks晶振 | Si545 | 160 MHz | LVDS | 1.8V ~ 3.3V |
| 545BAA156M250ACG | Skyworks晶振 | Si545 | 156.25 MHz | LVDS | 1.8V ~ 3.3V |
| 545BCB147M500ACG | Skyworks晶振 | Si545 | 147.5 MHz | LVDS | 1.8V ~ 3.3V |
| 545BBA156M250ACG | Skyworks晶振 | Si545 | 156.25 MHz | LVDS | 1.8V ~ 3.3V |
| 545BAA644M500ACG | Skyworks晶振 | Si545 | 644.5 MHz | LVDS | 1.8V ~ 3.3V |
| 545BAA000292BCGR | Skyworks晶振 | Si545 | 161.1328 MHz | LVDS | 1.8V ~ 3.3V |
| 545BAA233M333BCGR | Skyworks晶振 | Si545 | 233.333 MHz | LVDS | 1.8V ~ 3.3V |
| 545BAA000292BCG | Skyworks晶振 | Si545 | 161.1328 MHz | LVDS | 1.8V ~ 3.3V |



1、技術支持:全方位技術指導,專業的技術支持讓您感受到前所未有的后顧無憂.
2、客服咨詢:專業的銷售團隊,耐心為您解答任何疑問,讓您的消費得到保障.
3、質量保證,誠信為本,上我司以“以科技為動力,以質量求生存,”為理念.
4、提升業績,降低成本為您的產品量身訂制,免費取樣,為您做到低成本,高效率.
3、質量保證,誠信為本,上我司以“以科技為動力,以質量求生存,”為理念.
4、提升業績,降低成本為您的產品量身訂制,免費取樣,為您做到低成本,高效率.

康比電子聯系方式:
Q Q: 577541227
電 話:0755-27876201
手 機: 13728742863
Email: kangbidz@163.com
網 址: http://m.jqhs.com.cn/
地 址: 廣東省深圳市寶安區41區33棟6層
Q Q: 577541227
電 話:0755-27876201
手 機: 13728742863
Email: kangbidz@163.com
網 址: http://m.jqhs.com.cn/
地 址: 廣東省深圳市寶安區41區33棟6層










