康比電子roducts
國產晶振
臺產晶振
進口晶振
- 日本大真空晶振
- 愛普生晶振
- 精工晶振
- 西鐵城晶振
- 村田晶振
- 進口KSS晶振
- NDK晶振
- 大河石英晶振
- 美國CTS晶振
- 微晶晶振
- Abracon晶振
- ECS晶振
- Golledge晶振
- IDT晶振
- Jauch晶振
- Pletronics晶振
- 拉隆晶振
- SiTime晶振
- Statek晶振
- 格林雷晶振
- 康納溫菲爾德晶振
- 日蝕晶振
- 瑞康晶振
- 維管晶振
- AEK晶振
- AEL晶振
- Cardinal晶振
- Crystek晶振
- Euroquartz晶振
- FOX晶振
- Frequency晶振
- Geyer晶振
- KVG晶振
- ILSI晶振
- MERCURY晶振
- MMDCOMP晶振
- MtronPTI晶振
- QANTEK晶振
- QuartzCom晶振
- Quarztechnik晶振
- Suntsu晶振
- Transko晶振
- Wi2Wi晶振
- Fujicom晶振
- Interquip晶振
- ITTI晶振
- Lihom晶振
- MTI晶振
- NAKA晶振
- Oscilent晶振
- PDI晶振
- Rubyquartz晶振
- Shinsung晶振
- SMI晶振
- CTECH晶振
- IQD晶振
- Microchip晶振
- NJR晶振
- Silicon晶振
- Anderson晶振
- Fortiming晶振
- CORE晶振
- NIPPON晶振
- NICKC晶振
- QVS晶振
- Bomar晶振
- Bliley晶振
- GED晶振
- FILTRONETICS晶振
- STD晶振
- Q-Tech晶振
- Wenzel晶振
- NEL晶振
- EM晶振
- PETERMANN晶振
- FCD-Tech晶振
- HEC晶振
- FMI晶振
- Macrobizes晶振
- AXTAL晶振
- Sunny晶振
- 瑞薩Renesas晶振
- SKYWORKS晶振
- Dynamic迪拉尼晶振
車載電子
數碼電子
智能家居
時計產品
無線網絡
智能穿戴
醫療器械
無人機
0755-27876201
常見問題
更多>>

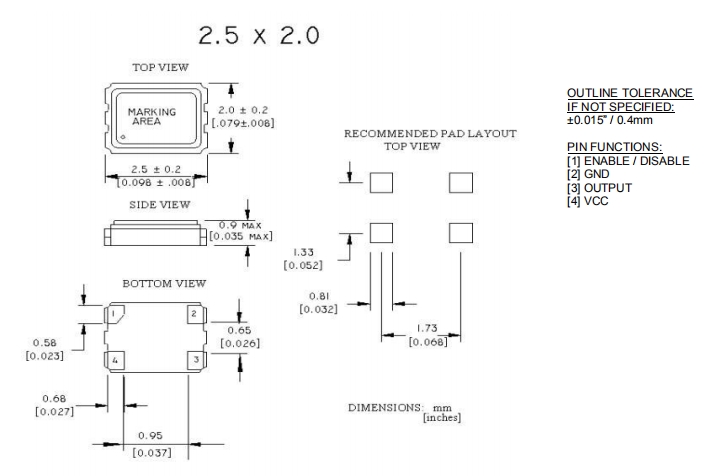
Rubyquartz晶振,CO2520晶振,CO2520-12.000-25-50-TR晶振,有源晶振,是指晶體本身起振需要外部電壓供應,起振后可直接驅動CMOS集成電路,產品本身已實現與薄型IC(TSSOP封裝,TVSOP封裝)同樣的1mm厚度,斷開時的消費電流是15µA以下,編帶包裝方式可對應自動搭載及IR回流焊接(無鉛對應)產品有幾種電壓供選1.8V,2.5V,3V3.3V,5V,以應對不同IC產品需要.
Rubyquartz晶振擁有非常專業的頻率元件設計與制造技術,其經營理念與生產概念領先許多業界的制造商,產品類型也比較完整。旗下量產的石英組件包括石英晶體諧振器,32.768K晶振,石英晶體振蕩器,OCXO恒溫晶振,VCXO壓控晶振,TCXO溫補晶振,OSC差分晶振等,其他不同材質的頻率元件還有陶瓷晶振和SAW濾波器,所有產品都符合歐盟協會要求的ROHS指令,經過相關部門的檢測,生產車間與環境是標準的無塵干凈化,污染排放達到標準,積極保護資源并防止污染,質量控制規范,長期堅持保證高標準的品質,確保定期評估全部質量要求,讓客戶滿意度保持在100%。
Rubyquartz晶振中文名叫做盧柏晶振,為全球客戶提供頻率元件行業最成熟,最負盛名的研發團隊之一的技術專業知識。規格處于市場需求前沿的產品在邁阿密,佛羅里達州設計??偛?。佛羅里達州和中國的制造地點使公司能夠滿足客戶優化總購置成本的需求,同時為所有產品系列提供足夠的生產空間。所提供產品的質量是所有Rubyquartz員工和公司管理層關注的重點之一。
美國Rubyquartz晶振擁有完整的諧振器與振蕩器產線,Rubyquartz晶振公司是美國有名的頻率控制元件制造商,在各大用戶眼里,是一家注重服務與質量的晶振品牌,專注研發生產石英晶體振蕩器,TCXO溫補晶振,VCXO壓控晶振,有源晶振等元件,并與客戶和代理商建立良好的合作關系,同時也擁有忠實和優質的客戶,代理商,盧柏晶振一直保持初心,為社會作出巨大的貢獻.Rubyquartz晶振,CO2520晶振,CO2520-12.000-25-50-TR晶振.
.jpg)
| PARAMETER | VALUE | ||||
| Frequency Range | 0.750 ~ 75.000 MHz | ||||
| Operating Temperature Range | -20°C to +70°C | -40°C to +85°C | |||
| Frequency Stability 1 ** |
±25 ppm ±30 ppm |
±50 ppm ±100 ppm |
|||
| Storage Temperature Range | -40°C to +85°C | ||||
| Supply Voltage (Vcc) | 1.8V ±5% | 2.5V ±5% | 3.0V ±5% | 3.3V ±5% | |
| Supply Current |
2.5 mA max ~29 MHz 3.0 mA max ~39 MHz 3.5 mA max ~50 MHz 4.0 mA max ~75MHz |
4.5 mA max ~29 MHz 5.5 mA max ~39 MHz 6.5 mA max ~50 MHz 7.5 mA max ~75MHz |
5.5 mA max ~29 MHz 6.5 mA max ~39 MHz 7.5 mA max ~50 MHz 8.5 mA max ~75MHz |
2.5 mA max ~29 MHz 3.5 mA max ~39 MHz 4.5 mA max ~50 MHz 5.5 mA max ~75MHz |
|
|
Output CMOS |
Symmetry | 40% to 60% at 50% Vdd (45% to 55% Available) | |||
| Rise / Fall Time | 10 nsec max at 10% to 90% Vdd | ||||
| Logic “0” Level | Vcc x 0.1 V max | ||||
| Logic “1” Level | Vcc x 0.9 V min | ||||
| Load | 15 pF max | ||||
| Enable / Disable Function |
Pin 1: High or Open >> Output enabled Pin 3 Pin 1: Low >> Output disabled (High impedance) |
||||
| Start-up Time |
10 ms Max |
||||
.jpg)

PCB設計指導(1) 理想情況下,機械蜂鳴器應安裝在一個獨立于石英晶體器件的PCB板上。如果您安裝在同一個PCB板上,最好使用余量或切割PCB。當應用于PCB板本身或PCB板體內部時,機械振動程度有所不同。建議遵照內部板體特性。
(2) 在設計時請參考相應的推薦封裝。
(3) 在使用焊料助焊劑時,按JIS標準(JISC 60068-2-20/IEC60,068-2-20).來使用。
(4) 請按JIS標準(JIS Z 3282, Pb 含量 1000ppm, 0.1wt% 或更少)來使用無鉛焊料。
存儲事項
(1) 在更高或更低溫度或高濕度環境下長時間保存晶振時,會影響頻率穩定性或焊接性。請在正常溫度和濕度環境下保存這些石英晶振產品,并在開封后盡可能進行安裝,以免長期儲藏。
正常溫度和濕度:
溫度:+15°C 至 +35°C,濕度 25 % RH 至 85 % RH(請參閱“測試點JISC60068-1/IEC60068-1的標準條件”章節內容)。
(2) 請仔細處理內外盒與卷帶。外部壓力會導致卷帶受到損壞。Rubyquartz晶振,CO2520晶振,CO2520-12.000-25-50-TR晶振.

1、技術支持:全方位技術指導,專業的技術支持讓您感受到前所未有的后顧無憂.
2、客服咨詢:專業的銷售團隊,耐心為您解答任何疑問,讓您的消費得到保障.
3、質量保證,誠信為本,上我司以“以科技為動力,以質量求生存,”為理念.
4、提升業績,降低成本為您的產品量身訂制,免費取樣,為您做到低成本,高效率.

康比電子聯系方式:
Q Q: 577541227
電 話:0755-27876201
手 機: 13728742863
Email: kangbidz@163.com
網 址: http://m.jqhs.com.cn/
地 址: 廣東省深圳市寶安區41區33棟6層






