康比電子roducts
國產晶振
臺產晶振
進口晶振
- 日本大真空晶振
- 愛普生晶振
- 精工晶振
- 西鐵城晶振
- 村田晶振
- 進口KSS晶振
- NDK晶振
- 大河石英晶振
- 美國CTS晶振
- 微晶晶振
- Abracon晶振
- ECS晶振
- Golledge晶振
- IDT晶振
- Jauch晶振
- Pletronics晶振
- 拉隆晶振
- SiTime晶振
- Statek晶振
- 格林雷晶振
- 康納溫菲爾德晶振
- 日蝕晶振
- 瑞康晶振
- 維管晶振
- AEK晶振
- AEL晶振
- Cardinal晶振
- Crystek晶振
- Euroquartz晶振
- FOX晶振
- Frequency晶振
- Geyer晶振
- KVG晶振
- ILSI晶振
- MERCURY晶振
- MMDCOMP晶振
- MtronPTI晶振
- QANTEK晶振
- QuartzCom晶振
- Quarztechnik晶振
- Suntsu晶振
- Transko晶振
- Wi2Wi晶振
- Fujicom晶振
- Interquip晶振
- ITTI晶振
- Lihom晶振
- MTI晶振
- NAKA晶振
- Oscilent晶振
- PDI晶振
- Rubyquartz晶振
- Shinsung晶振
- SMI晶振
- CTECH晶振
- IQD晶振
- Microchip晶振
- NJR晶振
- Silicon晶振
- Anderson晶振
- Fortiming晶振
- CORE晶振
- NIPPON晶振
- NICKC晶振
- QVS晶振
- Bomar晶振
- Bliley晶振
- GED晶振
- FILTRONETICS晶振
- STD晶振
- Q-Tech晶振
- Wenzel晶振
- NEL晶振
- EM晶振
- PETERMANN晶振
- FCD-Tech晶振
- HEC晶振
- FMI晶振
- Macrobizes晶振
- AXTAL晶振
- Sunny晶振
- 瑞薩Renesas晶振
- SKYWORKS晶振
- Dynamic迪拉尼晶振
車載電子
數碼電子
智能家居
時計產品
無線網絡
智能穿戴
醫療器械
無人機
0755-27876201
常見問題
更多>>

QANTEK晶振,QC20晶振,QC2020.0000F12B33R晶振,貼片晶振本身體積小,超薄型石英晶體振蕩器,特別適用于有目前高速發展的高端電子數碼產品,因為晶振本身小型化需求的市場領域,小型,薄型是對應陶瓷振蕩器(偏差大)和普通的石英晶體振蕩器(偏差小)的中間領域的一種性價比較出色的產品.產品廣泛用于筆記本電腦,無線電話,衛星導航SSD,USB,Blu-ray等用途,符合無鉛焊接的高溫回流焊曲線特性.
QANTEK為每位客戶分配一位作為主要聯系人的客戶經理,負責開發QANTEK資源的業務關系以滿足每位客戶的需求。通過此系統,QANTEK可以保持強大的客戶關系,而響應式服務和支持最重要。QANTEK希望成為您首選的頻率管理產品供應商.
QANTEK的頻率管理組件產品系列因其可靠性,耐用性和性能而廣受認可。我們的產品制造符合國際標準和規格。因此,每一臺QANTEK產品都能達到您的期望和超越。此外,我們不斷擴大和升級我們的生產流程,以確保利用新技術來保護和永久改善產品性能和完整性。我們的持續增長和極高的客戶保留水平證明了這一承諾。
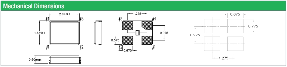
我們的通孔和表面安裝提供的全面產品范圍包括:石英晶體(XTAL),時鐘振蕩器(XO),壓控晶體振蕩器(VCXO),溫度補償晶體振蕩器(TCXO),烘箱控制晶體振蕩器(OCXOs),石英晶體濾波器,陶瓷諧振器等產品.QANTEK晶振,QC20晶振,QC2020.0000F12B33R晶振..jpg)
| General Specifications-QANTEK晶振 | QC20晶振 |
| Frequency Range | 20.000 to 52.000MHz (Fundamental) |
| Frenquency Tolerance at 25°C | ±10 to ±30ppm (±30ppm standard) |
| Frequency Stability over Temperature Range | See Stability vs. Temperature Table |
| Storage Temperature | -40 to +85°C |
| Aging per Year | ±3ppm max. |
| Load Capacticance C L | 7 to 32pF and Series Resonance |
| Shunt Capacticance C 0 | 7.0pF |
| Equivalent Series Resistance (ESR) | See ESR Table |
| Drive Level | 50μW max. |
| Insulation Resistance (MΩ) |
500 at 100Vdc ±15Vdc |
.jpg)


PCB設計指導
(1) 理想情況下,機械蜂鳴器應安裝在一個獨立于石英晶體器件的PCB板上。如果您安裝在同一個PCB板上,最好使用余量或切割PCB。當應用于PCB板本身或PCB板體內部時,機械振動程度有所不同。建議遵照內部板體特性。
(2) 在設計時請參考相應的推薦封裝。
(3) 在使用焊料助焊劑時,按JIS標準(JISC 60068-2-20/IEC60,068-2-20).來使用。
(4) 請按JIS標準(JIS Z 3282, Pb 含量 1000ppm, 0.1wt% 或更少)來使用無鉛焊料。
存儲事項
(1) 在更高或更低溫度或高濕度環境下長時間保存晶振時,會影響頻率穩定性或焊接性。請在正常溫度和濕度環境下保存這些石英晶振產品,并在開封后盡可能進行安裝,以免長期儲藏。
正常溫度和濕度:
溫度:+15°C 至 +35°C,濕度 25 % RH 至 85 % RH(請參閱“測試點JISC60068-1/IEC60068-1的標準條件”章節內容)。
(2) 請仔細處理內外盒與卷帶。外部壓力會導致卷帶受到損壞。QANTEK晶振,QC20晶振,QC2020.0000F12B33R晶振.

1、技術支持:全方位技術指導,專業的技術支持讓您感受到前所未有的后顧無憂.
2、客服咨詢:專業的銷售團隊,耐心為您解答任何疑問,讓您的消費得到保障.
3、質量保證,誠信為本,上我司以“以科技為動力,以質量求生存,”為理念.
4、提升業績,降低成本為您的產品量身訂制,免費取樣,為您做到低成本,高效率.

康比電子聯系方式:
Q Q: 577541227
電 話:0755-27876201
手 機: 13728742863
Email: kangbidz@163.com
網 址: http://m.jqhs.com.cn/
地 址: 廣東省深圳市寶安區41區33棟6層










