康比電子roducts
國產晶振
臺產晶振
進口晶振
- 日本大真空晶振
- 愛普生晶振
- 精工晶振
- 西鐵城晶振
- 村田晶振
- 進口KSS晶振
- NDK晶振
- 大河石英晶振
- 美國CTS晶振
- 微晶晶振
- Abracon晶振
- ECS晶振
- Golledge晶振
- IDT晶振
- Jauch晶振
- Pletronics晶振
- 拉隆晶振
- SiTime晶振
- Statek晶振
- 格林雷晶振
- 康納溫菲爾德晶振
- 日蝕晶振
- 瑞康晶振
- 維管晶振
- AEK晶振
- AEL晶振
- Cardinal晶振
- Crystek晶振
- Euroquartz晶振
- FOX晶振
- Frequency晶振
- Geyer晶振
- KVG晶振
- ILSI晶振
- MERCURY晶振
- MMDCOMP晶振
- MtronPTI晶振
- QANTEK晶振
- QuartzCom晶振
- Quarztechnik晶振
- Suntsu晶振
- Transko晶振
- Wi2Wi晶振
- Fujicom晶振
- Interquip晶振
- ITTI晶振
- Lihom晶振
- MTI晶振
- NAKA晶振
- Oscilent晶振
- PDI晶振
- Rubyquartz晶振
- Shinsung晶振
- SMI晶振
- CTECH晶振
- IQD晶振
- Microchip晶振
- NJR晶振
- Silicon晶振
- Anderson晶振
- Fortiming晶振
- CORE晶振
- NIPPON晶振
- NICKC晶振
- QVS晶振
- Bomar晶振
- Bliley晶振
- GED晶振
- FILTRONETICS晶振
- STD晶振
- Q-Tech晶振
- Wenzel晶振
- NEL晶振
- EM晶振
- PETERMANN晶振
- FCD-Tech晶振
- HEC晶振
- FMI晶振
- Macrobizes晶振
- AXTAL晶振
- Sunny晶振
- 瑞薩Renesas晶振
- SKYWORKS晶振
- Dynamic迪拉尼晶振
車載電子
數碼電子
智能家居
時計產品
無線網絡
智能穿戴
醫療器械
無人機
0755-27876201
常見問題
更多>>
.jpg)
.jpg)
DSC1025BC2-133.0000T,Microchip低功耗晶振,5032mm振蕩器,移動應用晶振,美國進口晶振,Microchip晶振,型號:DSC1025系列,編碼為:DSC1025BC2-133.0000T,頻率:133MHz,工作電壓:2.5V,工作溫度范圍:0℃至+70℃,頻率穩定性:±25ppm,小體積晶振尺寸:5.0x3.2mm封裝,四腳貼片晶振,石英晶體振蕩器,有源晶振,低功耗CMOS振蕩器。具有超小型,輕薄型,高精度,高品質,高性能等特點。應用程序:移動應用程序,消費類電子產品,便攜式電子產品,VTR攝像機的CCD時鐘,低配置文件應用程序,工業應用等。
DSC1025是一個2.5V固定頻率MEMS基于純硅™振蕩器。它可以被工廠編程到從1到150MHz的任何頻率。進口晶振DSC1025包含了一個全硅諧振器,它非常堅固,幾乎不受應力相關裂縫的影響,這是晶體振蕩器常見的。在不犧牲當今系統所需的性能和穩定性的情況下,無晶體設計允許更高水平的可靠性,使DSC1025非常適合堅固、工業和便攜式應用,其中應力、沖擊和振動可能會損害基于石英晶體的系統。
.jpg)
.jpg)
DSC1025BC2-133.0000T,Microchip低功耗晶振,5032mm振蕩器,移動應用晶振,參數表
| 品牌 | Microchip晶振 |
| 型號 | DSC1025 |
| 物料編碼 | DSC1025BC2-133.0000T |
| 頻率 | 133.000MHz |
| 頻率穩定性 | ±25ppm |
| 輸出 | CMOS |
| 電源電壓 | 2.5V |
| 工作溫度 | 0℃至+70℃ |
| 尺寸 | 5.0x3.2mm |
.jpg)
.jpg)
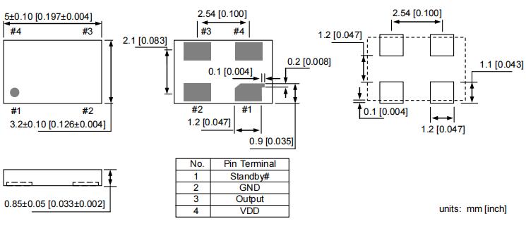
DSC1025BC2-133.0000T,Microchip低功耗晶振,5032mm振蕩器,移動應用晶振,尺寸圖



| 原廠代碼 | 品牌 | 型號 | 頻率 | 電壓 |
| DSC1028DI2-019.2000 | Microchip晶振 | DSC1028 | 19.2MHz | 2.8V |
| DSC1028CI2-026.0000T | Microchip晶振 | DSC1028 | 26MHz | 2.8V |
| DSC1025BC2-133.0000 | Microchip晶振 | DSC1025 | 133MHz | 2.5V |
| DSC1028DI2-019.2000T | 晶振廠家 | DSC1028 | 19.2MHz | 2.8V |
| DSC1025BI1-125.0000 | Microchip晶振 | DSC1025 | 125MHz | 2.5V |
| DSC1025BI2-133.0000T | Microchip晶振 | DSC1025 | 133MHz | 2.5V |
| DSC1025BC2-133.0000T | Microchip晶振 | DSC1025 | 133MHz | 2.5V |
| DSC1025DI2-025.0000T | Microchip晶振 | DSC1025 | 25MHz | 2.5V |
| DSC1028BI2-024.0000T | Microchip晶振 | DSC1028 | 24MHz | 2.8V |
| DSC1028CI2-024.0000T | Microchip晶振 | DSC1028 | 24MHz | 2.8V |
| DSC1025BI2-133.0000 | Microchip晶振 | DSC1025 | 133MHz | 2.5V |
| DSC1028CI2-024.0000 | Microchip晶振 | DSC1028 | 24MHz | 2.8V |
| DSC1025DE2-024.0000T | Microchip晶振 | DSC1025 | 24MHz | 2.5V |
| DSC1025DE2-024.0000 | Microchip晶振 | DSC1025 | 24MHz | 2.5V |
1、技術支持:全方位技術指導,專業的技術支持讓您感受到前所未有的后顧無憂.
2、客服咨詢:專業的銷售團隊,耐心為您解答任何疑問,讓您的消費得到保障.
3、質量保證,誠信為本,上我司以“以科技為動力,以質量求生存,”為理念.
4、提升業績,降低成本為您的產品量身訂制,免費取樣,為您做到低成本,高效率.
3、質量保證,誠信為本,上我司以“以科技為動力,以質量求生存,”為理念.
4、提升業績,降低成本為您的產品量身訂制,免費取樣,為您做到低成本,高效率.

康比電子聯系方式:
Q Q: 577541227
電 話:0755-27876201
手 機: 13728742863
Email: kangbidz@163.com
網 址: http://m.jqhs.com.cn/
地 址: 廣東省深圳市寶安區41區33棟6層
Q Q: 577541227
電 話:0755-27876201
手 機: 13728742863
Email: kangbidz@163.com
網 址: http://m.jqhs.com.cn/
地 址: 廣東省深圳市寶安區41區33棟6層











