康比電子roducts
國產晶振
臺產晶振
進口晶振
- 日本大真空晶振
- 愛普生晶振
- 精工晶振
- 西鐵城晶振
- 村田晶振
- 進口KSS晶振
- NDK晶振
- 大河石英晶振
- 美國CTS晶振
- 微晶晶振
- Abracon晶振
- ECS晶振
- Golledge晶振
- IDT晶振
- Jauch晶振
- Pletronics晶振
- 拉隆晶振
- SiTime晶振
- Statek晶振
- 格林雷晶振
- 康納溫菲爾德晶振
- 日蝕晶振
- 瑞康晶振
- 維管晶振
- AEK晶振
- AEL晶振
- Cardinal晶振
- Crystek晶振
- Euroquartz晶振
- FOX晶振
- Frequency晶振
- Geyer晶振
- KVG晶振
- ILSI晶振
- MERCURY晶振
- MMDCOMP晶振
- MtronPTI晶振
- QANTEK晶振
- QuartzCom晶振
- Quarztechnik晶振
- Suntsu晶振
- Transko晶振
- Wi2Wi晶振
- Fujicom晶振
- Interquip晶振
- ITTI晶振
- Lihom晶振
- MTI晶振
- NAKA晶振
- Oscilent晶振
- PDI晶振
- Rubyquartz晶振
- Shinsung晶振
- SMI晶振
- CTECH晶振
- IQD晶振
- Microchip晶振
- NJR晶振
- Silicon晶振
- Anderson晶振
- Fortiming晶振
- CORE晶振
- NIPPON晶振
- NICKC晶振
- QVS晶振
- Bomar晶振
- Bliley晶振
- GED晶振
- FILTRONETICS晶振
- STD晶振
- Q-Tech晶振
- Wenzel晶振
- NEL晶振
- EM晶振
- PETERMANN晶振
- FCD-Tech晶振
- HEC晶振
- FMI晶振
- Macrobizes晶振
- AXTAL晶振
- Sunny晶振
- 瑞薩Renesas晶振
- SKYWORKS晶振
- Dynamic迪拉尼晶振
車載電子
數碼電子
智能家居
時計產品
無線網絡
智能穿戴
醫療器械
無人機
0755-27876201
常見問題
更多>>
.jpg)
.jpg)
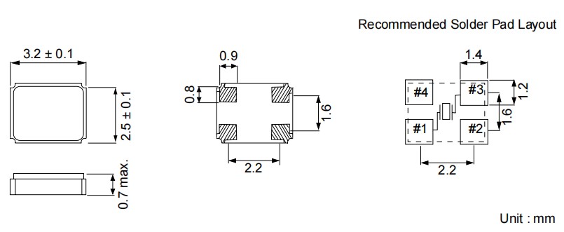
HE-MCC-32,3225mm,HEC石英貼片晶振,輕薄型晶振,汽車電子晶振,無線網絡晶振,美國進口晶振,HEC晶振,型號為:HE-MCC-32,頻率范圍:13.000MHz~48.000MHz,小體積晶振尺寸:3.2x2.5x0.7mm,四腳貼片晶振,石英晶振,無源晶振,SMD晶振,石英晶體諧振器,3225晶振,無鉛晶振。工作溫度范圍:-10℃至+60℃/-40℃至+85℃。具有超小型,輕薄型,高性能,高品質,耐熱及耐環境等特點。進口晶振,HE-MCC-32是業界最緊湊的全陶瓷表面貼裝晶體,封裝尺寸僅為3.2x2.5x0.7mm,具有從13MHz到48MHz的寬頻率范圍,基本工作模式,能夠承受IR或氣相回流焊接過程,在-30°C到+85°C(選定頻率)范圍內的穩定性高達±15PPM,使HE-MCC-32非常適合空間有限的應用。
.jpg)
.jpg)
HE-MCC-32,3225mm,HEC石英貼片晶振,輕薄型晶振,汽車電子晶振,無線網絡晶振,參數表
| PARAMETERS | CONDITIONS | MINIMUM | STANDARD | MAXIMUM | UNIT | |||||||||||||||
| FREQUENCY RANGE | 13.000 | 48.000 | MHz | |||||||||||||||||
| FREQ. TOLERANCE | at 25 °C | -50* | PPM | |||||||||||||||||
|
FREQ. STABILITY (reference @ 25°C) |
-10 °C to +60 °C | -50* | PPM | |||||||||||||||||
| OPERATING TEMPERATURE | -10 °C to +60 °C // -40 °C to +85 °C Optional | °C | ||||||||||||||||||
| STORAGE TEMPERATURE | -40 °C to +85 °C // -55 °C to +125 °C Optional | °C | ||||||||||||||||||
| SHUNT CAPACITANCE (CO) | 5.0 | pF | ||||||||||||||||||
| LOAD CAPACITANCE (CL) | To be specified | 6.0 | 18.0 | pF | ||||||||||||||||
| DRIVE LEVEL | 12.800 - 80.000 MHz | 0.1 | mW | |||||||||||||||||
| AGING CHARACTERISTICS |
±5 PPM max. @ 25 °C per year |
|||||||||||||||||||
| * Tight tolerances optional - please specify | ||||||||||||||||||||


1、技術支持:全方位技術指導,專業的技術支持讓您感受到前所未有的后顧無憂.
2、客服咨詢:專業的銷售團隊,耐心為您解答任何疑問,讓您的消費得到保障.
3、質量保證,誠信為本,上我司以“以科技為動力,以質量求生存,”為理念.
4、提升業績,降低成本為您的產品量身訂制,免費取樣,為您做到低成本,高效率.
3、質量保證,誠信為本,上我司以“以科技為動力,以質量求生存,”為理念.
4、提升業績,降低成本為您的產品量身訂制,免費取樣,為您做到低成本,高效率.

康比電子聯系方式:
Q Q: 577541227
電 話:0755-27876201
手 機: 13728742863
Email: kangbidz@163.com
網 址: http://m.jqhs.com.cn/
地 址: 廣東省深圳市寶安區41區33棟6層
Q Q: 577541227
電 話:0755-27876201
手 機: 13728742863
Email: kangbidz@163.com
網 址: http://m.jqhs.com.cn/
地 址: 廣東省深圳市寶安區41區33棟6層





.jpg)
.jpg)





