康比電子roducts
國產晶振
臺產晶振
進口晶振
- 日本大真空晶振
- 愛普生晶振
- 精工晶振
- 西鐵城晶振
- 村田晶振
- 進口KSS晶振
- NDK晶振
- 大河石英晶振
- 美國CTS晶振
- 微晶晶振
- Abracon晶振
- ECS晶振
- Golledge晶振
- IDT晶振
- Jauch晶振
- Pletronics晶振
- 拉隆晶振
- SiTime晶振
- Statek晶振
- 格林雷晶振
- 康納溫菲爾德晶振
- 日蝕晶振
- 瑞康晶振
- 維管晶振
- AEK晶振
- AEL晶振
- Cardinal晶振
- Crystek晶振
- Euroquartz晶振
- FOX晶振
- Frequency晶振
- Geyer晶振
- KVG晶振
- ILSI晶振
- MERCURY晶振
- MMDCOMP晶振
- MtronPTI晶振
- QANTEK晶振
- QuartzCom晶振
- Quarztechnik晶振
- Suntsu晶振
- Transko晶振
- Wi2Wi晶振
- Fujicom晶振
- Interquip晶振
- ITTI晶振
- Lihom晶振
- MTI晶振
- NAKA晶振
- Oscilent晶振
- PDI晶振
- Rubyquartz晶振
- Shinsung晶振
- SMI晶振
- CTECH晶振
- IQD晶振
- Microchip晶振
- NJR晶振
- Silicon晶振
- Anderson晶振
- Fortiming晶振
- CORE晶振
- NIPPON晶振
- NICKC晶振
- QVS晶振
- Bomar晶振
- Bliley晶振
- GED晶振
- FILTRONETICS晶振
- STD晶振
- Q-Tech晶振
- Wenzel晶振
- NEL晶振
- EM晶振
- PETERMANN晶振
- FCD-Tech晶振
- HEC晶振
- FMI晶振
- Macrobizes晶振
- AXTAL晶振
- Sunny晶振
- 瑞薩Renesas晶振
- SKYWORKS晶振
- Dynamic迪拉尼晶振
車載電子
數碼電子
智能家居
時計產品
無線網絡
智能穿戴
醫療器械
無人機
0755-27876201
常見問題
更多>>
.jpg)
.jpg)
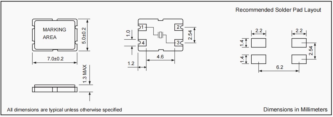
富通無源晶振,XCS75-54M000-3B50D20顯卡驅動晶振,XCS75高精度晶體,美國Fortiming晶振公司,富通晶振,XCS75晶振,XCS75-54M000-3B50D20晶振,石英晶振,無源晶振,7050晶振,四腳晶振,貼片晶振,高品質晶振,環保無鉛晶振,低損耗晶振,高精度晶振,進口晶振,美國晶振,陶瓷縫密封表面安裝封裝- XCS75系列。特點,符合RoHS標準(無鉛),寬頻率范圍,at切割晶體,高精度和優異的老化,擴展的溫度范圍,行業標準占地面積,緊湊的尺寸(7 x 5毫米),最大高度1.3毫米,優異的可焊性。產品符合無鉛焊接的高溫回流焊曲線特性.
.jpg)
.jpg)
富通無源晶振,XCS75-54M000-3B50D20顯卡驅動晶振,XCS75高精度晶體
| 規格 | |
| 頻率 | 8 MHz to 150 MHz |
| 共振模式 |
1 = Fundamental (8 to 50 MHz); 3 = 3rd Overtone (30 to 90 MHz) 5 = 5th Overtone (70 to 150 MHz) |
| 校準公差 | A = ±50 ppm; B = ±30 ppm; C = ±20 ppm; D = ±15 ppm; E = ±10 ppm |
| 頻率穩定度 | 50 = ±50 ppm; 25 = ±25 ppm; 10 = ±10 ppm; 5 = ±5 ppm |
| 工作溫度 | A = 0°C to 70°C; B = -40°C to 85°C; C = -10°C to 60°C; D = -20°C to 70°C |
| 老化 | ±5 ppm / year Maximum |
| 儲存溫度 | -40°C to 85°C |
| 負載電荷 | CL = 18 pF (Standard), 16 pF, 20 pF, others, or S = Series resonant |
| 分流電荷 | 7 pF Maximum |
| 驅動電平 | 0.1 mW Maximum |
.jpg)
.jpg)
富通無源晶振,XCS75-54M000-3B50D20顯卡驅動晶振,XCS75高精度晶體


1、技術支持:全方位技術指導,專業的技術支持讓您感受到前所未有的后顧無憂.
2、客服咨詢:專業的銷售團隊,耐心為您解答任何疑問,讓您的消費得到保障.
3、質量保證,誠信為本,上我司以“以科技為動力,以質量求生存,”為理念.
4、提升業績,降低成本為您的產品量身訂制,免費取樣,為您做到低成本,高效率.

3、質量保證,誠信為本,上我司以“以科技為動力,以質量求生存,”為理念.
4、提升業績,降低成本為您的產品量身訂制,免費取樣,為您做到低成本,高效率.

康比電子聯系方式:
Q Q: 577541227
電 話:0755-27876201
手 機: 13728742863
Email: kangbidz@163.com
網 址: http://m.jqhs.com.cn/
地 址: 廣東省深圳市寶安區41區33棟6層
Q Q: 577541227
電 話:0755-27876201
手 機: 13728742863
Email: kangbidz@163.com
網 址: http://m.jqhs.com.cn/
地 址: 廣東省深圳市寶安區41區33棟6層






